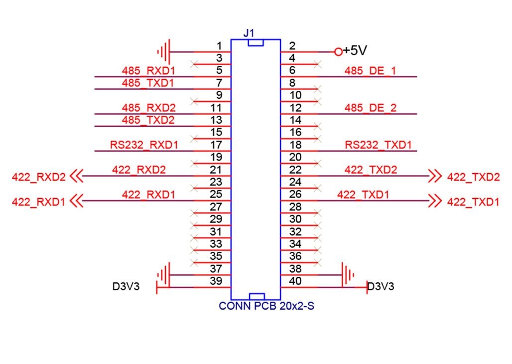
一路 RS232 接口,2 路 RS485 和 2 路 RS422 通信接口

RS232 接口
一路標準的 DB9 公座串行接口
使用 MAX3232 作為 RS232 和 TTL 電平的轉換
傳輸率高達 120Kbps 數據通訊速率
RS485 接口
兩路 RS485 接口,采用 3 線的接線端子
使用 MAX3485 作為 RS485 和 TTL 的電平轉換
工業級設計,抗干擾能力超強,同時采用有效的防雷設計
轉換具有 120 歐匹配電阻,插上跳線帽即可使能匹配電阻 長距離傳輸時建議短接
支持多機通訊,允許接在最多 128 個設備的總線上
傳輸率高達 500Kbps 數據通訊速率
RS422 接口
兩路 RS422 接口,采用 5 線的接線端子
使用 MAX3490 作為 RS422 和 TTL 的電平轉換
工業級設計,抗干擾能力超強,同時采用有效的防雷設計具有 120 歐匹配電阻,插上跳線帽即可使能匹配電阻 長距離傳輸時建議短接
支持多機通訊,允許接在最多 128 個設備的總線上
傳輸率高達 500Kbps 數據通訊速率





.jpg)
所有出售產品主體保修期為 12 個月,其中 FPGA 芯片、液晶屏為易損件,不在保修范圍內。
所有配件及贈品不在保修范圍內。