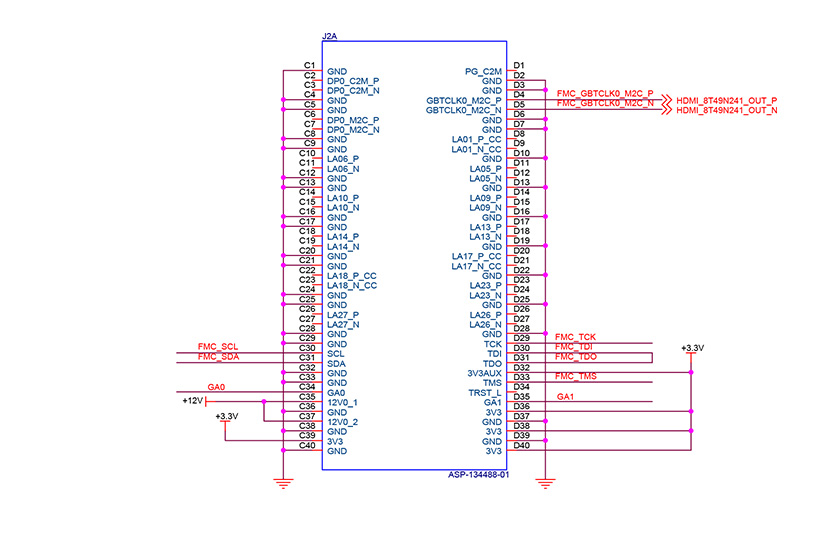
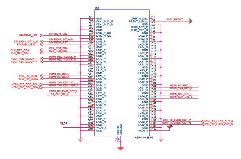
FMC 接口轉一路 HDMI 輸入,一路 HDMI 輸出的模塊 接口是標準的 HPC 接口,用于連接 FPGA 開發板

FMC 連接器
HPC 連接器
HDMI 視頻輸出接口
最高支持 4K@60Hz 輸出
HDMI 視頻輸入接口
最高支持 4K@60Hz 輸入,支持不同格式的數據輸入



FMC HPC 接口




所有出售產品主體保修期為 12 個月,其中 FPGA 芯片、液晶屏為易損件,不在保修范圍內。
所有配件及贈品不在保修范圍內。