4路1000M千兆以太網 LPC FMC子板

KSZ9031

  • 產品型號

    FL9031
  • 溫度等級

    -40℃~85℃
  • 產地

    上海
  • EAN碼

    6971390274606
  • 價格

    ¥1099.00

產品推薦


4 路千兆以太網 FMC 子板

4 路10 / 100 / 1000 Mbps 自適應的以太網通信接口模塊

FL9031.jpg

產品參數

參數功能

千兆以太網芯片

4 片 KSZ9031RNX

網絡接口

4 路 RJ45

以太網通信速率

支持 10/100/1000 Mbps

通信方式

RGMII

配置接口

MDIO 接口

工作溫度

-40℃~85℃


接口展示

FL9031_07.jpg


功能結構圖

FL9031_11.jpg


尺寸結構圖

FL9031_13.jpg



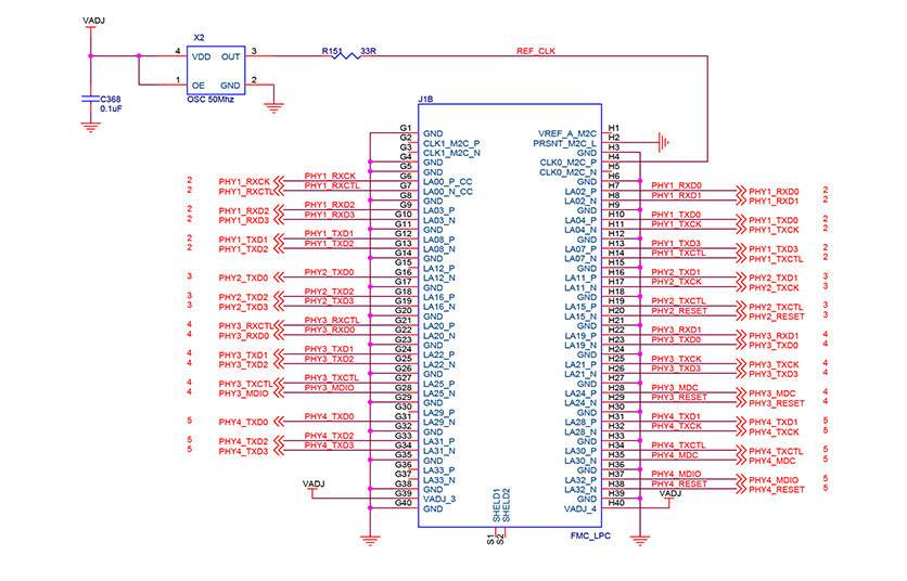
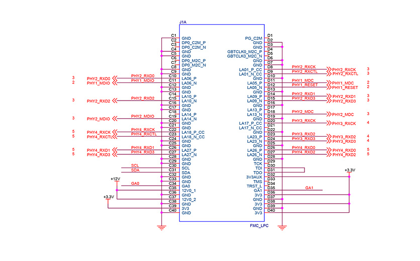
針腳定義

FMC 接口

FL9031_03.jpg

FL9031_06.jpg

產品展示

FL9031_21.jpg

FL9031_24.jpg

FL9031_27.jpg

所有出售產品主體保修期為 12 個月,其中 FPGA 芯片、液晶屏為易損件,不在保修范圍內。

所有配件及贈品不在保修范圍內。

Copyright © 芯驛電子科技(上海)有限公司 All Rights Reserved 滬ICP備13046728號

国产欧美精品