支持標準的 CameraLink 接口,同時支持 Base,Medium,Full 這 3 種模式,為不同速度的相機提供適合的配置和連接方式

CameraLink 接口
2 通道,硬件接口位SDR26
LVDS
28 位數據位,支持 20~85MHz 的時鐘轉換
吞吐率高達 2.38Gbps
帶寬高達 297.5 Mbytes/sec
兼容 TIA/EIA-644 LVDS 標準
工作溫度
-10°C~70°C


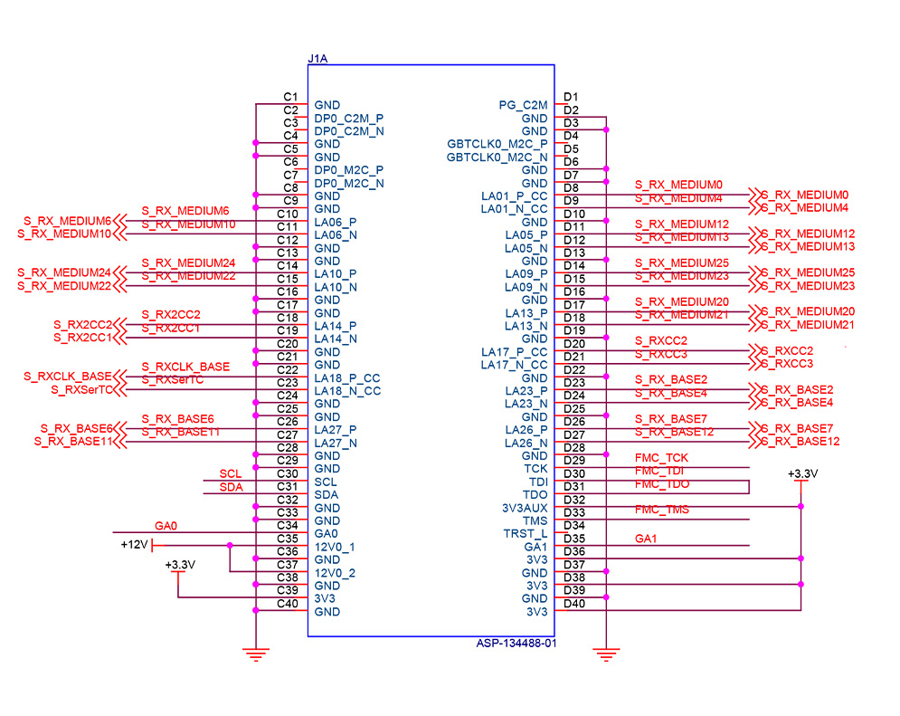
FMC HPC 接口




所有出售產品主體保修期為 12 個月,其中 FPGA 芯片、液晶屏為易損件,不在保修范圍內。
所有配件及贈品不在保修范圍內。