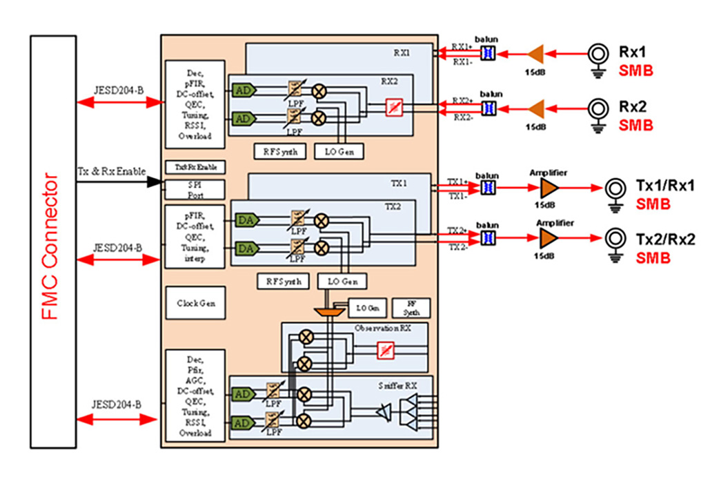
覆蓋 300MHz~6GHz 頻段,并集成了雙通道收發鏈路,發送實時帶寬最大250MHz,接收帶寬最大 100MHz 適合應用于通用軟件無線電平臺

芯片型號
采用 AD9371 芯片
位數
16bit ADC & 14bitADC
天線開關
支持半雙工、全雙工,TDD/FDD 模式
覆蓋頻率
300MHz-6GHz
帶寬
發送高達250MHz,接收高達100MHz
功率放大器
14dB@2GHz,支持發射功率最高10dBm 輸出
RF 阻抗
匹配 50Ω
數字接口
JESD204B
時鐘
支持內部或者外部參考時鐘
選配GPS模塊
通過 GPS 提供參考時鐘和脈沖同步信號
FMC接口
HPC
結構尺寸
76.5 X 69mm


射頻前端包括功率放大器,天線開關,balun等組件,提升了設備的實用性,不僅規格符合標準的FMC規范,而且實用性顯著提升







所有出售產品主體保修期為 12 個月,其中 FPGA 芯片、液晶屏為易損件,不在保修范圍內。
所有配件及贈品不在保修范圍內。